クリート各種
クリート礙子は、耐熱性?絶縁性に優れ、熱膨張率も小さいので、電熱線を配線したり、ヒーターを固定したりするのに使用されています。

特長

商品に関するお問い合わせ、オーダーメイドなど各種お見積り依頼やお問い合わせはこちらからお気軽にどうぞ。
工業用?産業用ヒーターのことなら坂口電熱株式會社 > 製品情報 > 電熱材料?周辺機器他 > 絶縁礙子?耐火物各種 > クリート各種
クリート礙子は、耐熱性?絶縁性に優れ、熱膨張率も小さいので、電熱線を配線したり、ヒーターを固定したりするのに使用されています。



商品に関するお問い合わせ、オーダーメイドなど各種お見積り依頼やお問い合わせはこちらからお気軽にどうぞ。
| 品名 | 寸法(mm) | 商品コード | ![]() |
||||||
|---|---|---|---|---|---|---|---|---|---|
| A | B | C | D | E | F | G | |||
| 1P(小) | 23 | 10.5 | 14 | 8.5 | 4.2 | 7.5 | 6.25 | CC1PS | |
| 1P(大) | 33 | 17 | 25 | 15 | 5.5 | 12.5 | 6.5 | CC1PL | |
※焼き物につき、寸法に誤差が生じることがあります。購入された現品をご確認の上、使用してください。
| 品名 | 寸法(mm) | 商品コード | ![]() |
||||||
|---|---|---|---|---|---|---|---|---|---|
| A | B | C | D | E | F | G | |||
| 1P合せ(小)上 | ー | ー | ー | 11 | 7(R3.7) | 4.5 | ー | CC1PJSU | |
| 1P合せ(小)下 | 25 | 12 | 9 | ー | ー | ー | 6 | CC1PJSD | |
| 1P合せ(大)上 | ー | ー | ー | 15 | 11(R5.5) | 5.3 | ー | CC1PJLU | |
| 1P合せ(大)下 | 34 | 15 | 10 | ー | ー | ー | 9 | CC1PJLD | |
※焼き物につき、寸法に誤差が生じることがあります。購入された現品をご確認の上、使用してください。
| 品名 | 寸法(mm) | 商品コード | |||||||
|---|---|---|---|---|---|---|---|---|---|
| A | B | C | D | E | F | G | |||
| 2P合せ | 55 | 18 | 18 | R7 | 5 | 25 | 5.5 | CC2PJ |
●2P合せクリート
|
| 4P合せ | 86.5 | 16 | 13 | R6 | 5 | 42.5 | ー | CC4PJ |
●4P合せクリート
|
※焼き物につき、寸法に誤差が生じることがあります。購入された現品をご確認の上、使用してください。
| 品名 | 寸法(mm) | 商品コード | ![]() |
||||||
|---|---|---|---|---|---|---|---|---|---|
| A | B | C | D | E | F | G | |||
| 2P上空(小) | 55 | 18 | 32 | 22 | 5.5 | ー | 14 | CC2PUAS | |
| 2P上空(大) | 76 | 25 | 37 | 24 | 6 | ー | 17 | CC2PUAL | |
| 2P上空 (コージライト) |
52 | 19 | 30 | 20.5 | 5.5 | ー | 13 | CC2PUAK | |
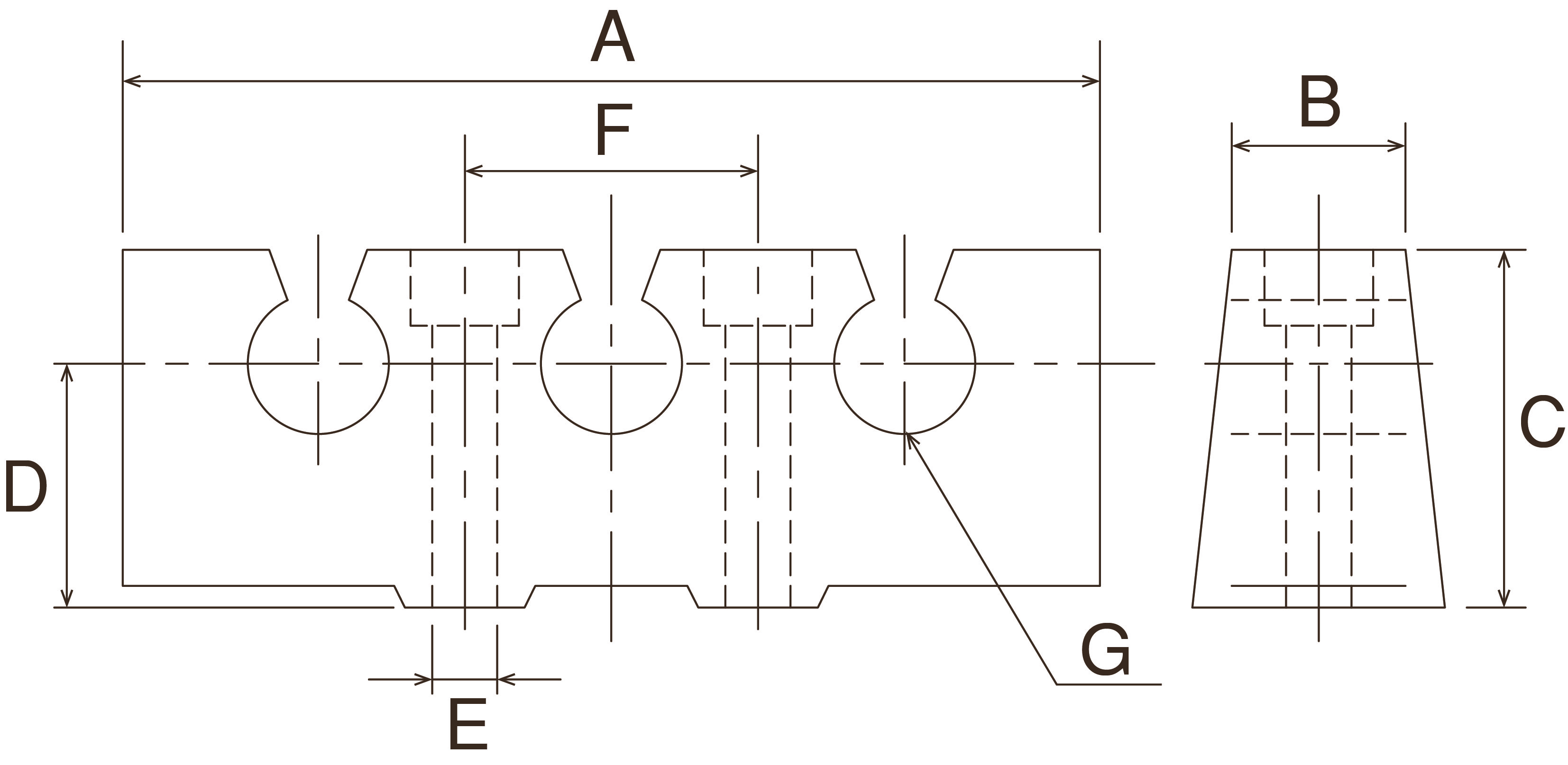
| 3P上空 | 90 | 20 | 33 | 22.5 | 5.5 | 27 | 13 | CC3PUA | |
| 3P上空 (コージライト) |
90 | 20 | 33 | 22.5 | 5.5 | 27 | 13 | CC3PUAK | |
| 4P上空 | 115 | 20 | 33 | 22.5 | 5.5 | 56 | 13 | CC4PUA | |
※焼き物につき、寸法に誤差が生じることがあります。購入された現品をご確認の上、使用してください。
| 品名 | 寸法(mm) | 商品コード | ![]() |
|||||
|---|---|---|---|---|---|---|---|---|
| A | B | C | D | E | F | |||
| ハンガー(小) | 50 | 20 | 30 | 13 | 5 | 10 | CCHS | |
| ハンガー(大) | 60 | 24 | 36 | 16 | 6 | 12 | CCHL | |
※焼き物につき、寸法に誤差が生じることがあります。購入された現品をご確認の上、使用してください。
| 品名 | 寸法(mm) | 商品コード | ![]() |
|||||
|---|---|---|---|---|---|---|---|---|
| A | B | C | D | E | F | |||
| メガネ(小) | 40 | 15 | 22 | 10 | 5 | 10 | CCGLS | |
| メガネ(大) | 56 | 20 | 28 | 15.5 | 6 | 14 | CCGLL | |
※焼き物につき、寸法に誤差が生じることがあります。購入された現品をご確認の上、使用してください。