ICPサーモスタットシリーズ
従來品にはなかった、より精度の高い溫度制御機能を兼ね備えた製品です。
高性能コントローラーとしてご使用いただけます。

特長

商品に関するお問い合わせ、オーダーメイドなど各種お見積り依頼やお問い合わせはこちらからお気軽にどうぞ。
工業用?産業用ヒーターのことなら坂口電熱株式會社 > 製品情報 > 溫度センサー?溫度調節器 > サーモスタット > ICPサーモスタットシリーズ
従來品にはなかった、より精度の高い溫度制御機能を兼ね備えた製品です。
高性能コントローラーとしてご使用いただけます。



商品に関するお問い合わせ、オーダーメイドなど各種お見積り依頼やお問い合わせはこちらからお気軽にどうぞ。

【標準電線】
UL3266#20:60mm
ICP/B接點(N.C)被覆【黒】
ICPA/A接點(N.O)被覆【青】
| 設定可能溫度範囲 | 20℃~100℃ | |
|---|---|---|
| 接點構成 | ICP/B接點(N.C) | |
| ICPA/A接點(N.O) | ||
| ディファレンシャル(※) | 動作溫度 20℃~80℃品:5±2℃ | |
| 動作溫度 90℃~100℃品:8±2℃ | ||
| 電気定格 | C-UL | B接點:AC125V 3A / AC250V 1.5A |
| A接點:AC125V 5A / AC250V 3A | ||
| CMJ | B接點?A接點共通:AC125V 3A | |
| 絶縁抵抗 | DC500V 100MΩ | |
| 耐電圧間 | AC500V 1分間 | |
※ディファレンシャル…動作溫度と復帰溫度の差
★上記以外の仕様は弊社営業擔當にお問い合わせください。
| 接點 | 動作溫度(℃) | 溫度公差(℃) | リード色 | 商品コード |
|---|---|---|---|---|
| B(N.C) | 20 | ±3 | 黒 | ICP20 |
| 30 | ±3 | 黒 | ICP30 | |
| 40 | ±4 | 黒 | ICP40 | |
| 50 | ±4 | 黒 | ICP50 | |
| 60 | ±4 | 黒 | ICP60 | |
| 70 | ±4 | 黒 | ICP70 | |
| 80 | ±4 | 黒 | ICP80 | |
| 90 | ±4 | 黒 | ICP90 | |
| 100 | ±5 | 黒 | ICP100 | |
| A(N.O) | 20 | ±3 | 青 | ICPA20 |
| 30 | ±3 | 青 | ICPA30 | |
| 40 | ±4 | 青 | ICPA40 | |
| 50 | ±4 | 青 | ICPA50 | |
| 60 | ±4 | 青 | ICPA60 | |
| 70 | ±4 | 青 | ICPA70 | |
| 80 | ±4 | 青 | ICPA80 | |
| 90 | ±4 | 青 | ICPA90 | |
| 100 | ±5 | 青 | ICPA100 |


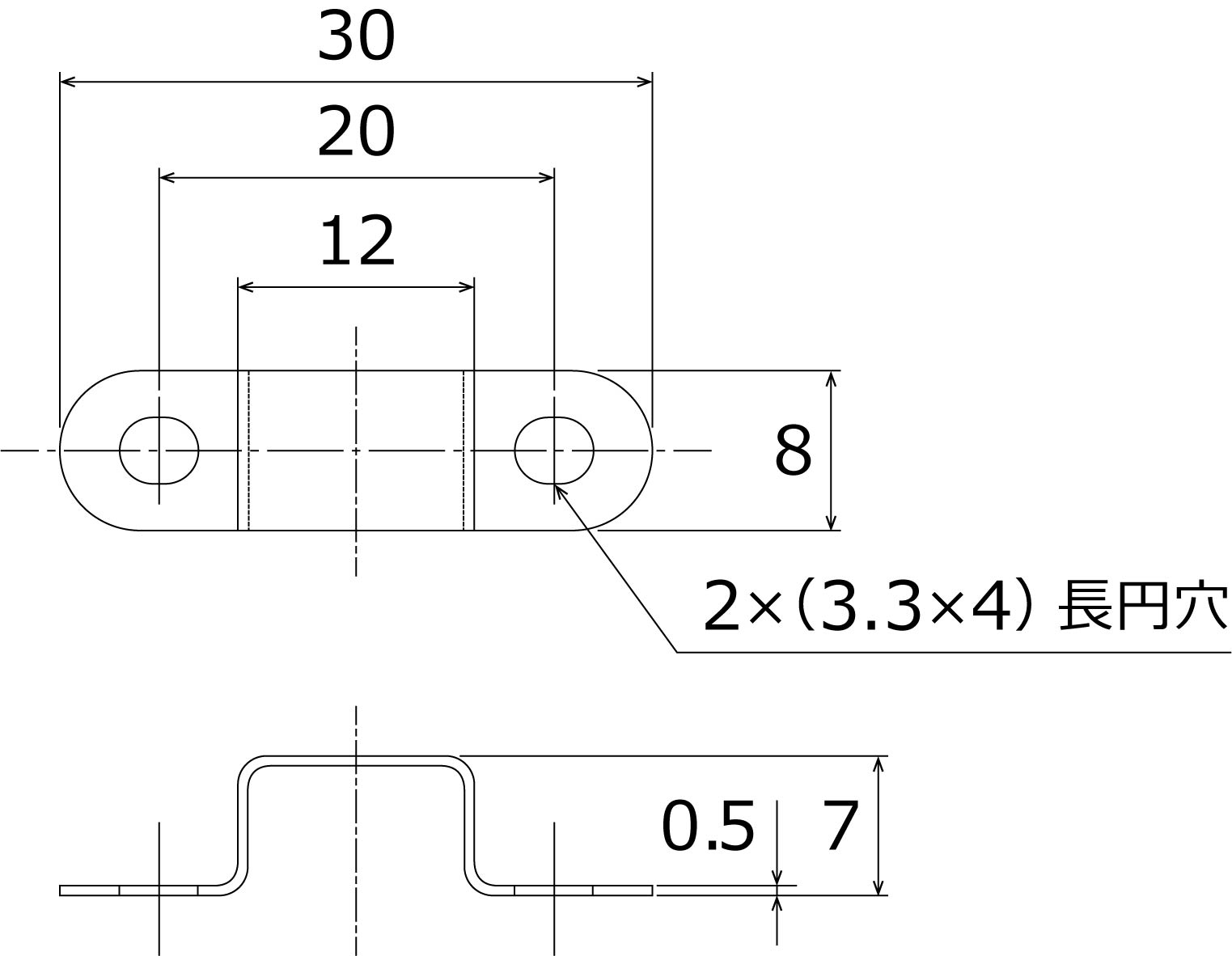
| 材質 | 商品コード |
|---|---|
| SUS304 | ICPTK |
?本製品は密閉構造になっておりますが、防塵?防滴効果のみとなりますのでご注意ください。
お客様にて防水処理を行う際には、リード線加工部の処理にもご注意ください。
?製品への取付けの際、接點障害を引き起こす可能性のある低分子シロキサン含有シリコン接著剤の
ご使用はお控えください。
?取付けの際には、感熱面からの熱伝導が良くなるよう密著させてご使用ください。
?急激な溫度上昇をする場所では、正常な動作(指定溫度)をしない場合がありますので、
事前に十分ご検証くださいますようお願い致します。
?電気定格等、規定條件の範囲內でご使用ください。
不適切な使用は事故の原因となりますので十分にご注意ください。