遠赤セラミックパネルヒーター
軽量の高溫耐熱性セラミックファイバーに発熱體を埋め込み、コンパクトにパネル化した製品です。
當製品は、RCF規制対象製品です。

特長

商品に関するお問い合わせ、オーダーメイドなど各種お見積り依頼やお問い合わせはこちらからお気軽にどうぞ。
工業用?産業用ヒーターのことなら坂口電熱株式會社 > 製品情報 > ヒーター?加熱裝置 > 遠赤外線ヒーター > 遠赤セラミックパネルヒーター
軽量の高溫耐熱性セラミックファイバーに発熱體を埋め込み、コンパクトにパネル化した製品です。
當製品は、RCF規制対象製品です。



商品に関するお問い合わせ、オーダーメイドなど各種お見積り依頼やお問い合わせはこちらからお気軽にどうぞ。
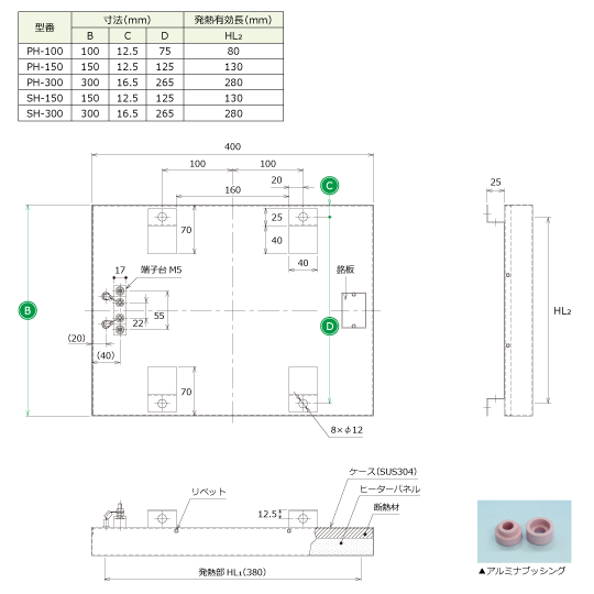
| 型番 | 寸法(mm) | 発熱有効長(mm) | 電圧 (V) | 容量 (W) | 有効ワット密度 (W/cm2) | 概算質量 (kg) | 商品コード | ||
|---|---|---|---|---|---|---|---|---|---|
| 幅(B) | 長さ | 幅(HL2) | 長さ(HL1) | ||||||
| PH−100 | 100 | 400 | 80 | 380 | 100 | 500 750 1000 |
1.6 2.5 3.3 |
(1.5) | IPH100A IPH100B IPH100C |
| PH−150 | 150 | 400 | 130 | 380 | 100 100 200 100 200 |
500 750 750 1000 1000 |
1.0 1.5 1.5 2.0 2.0 |
(1.9) | IPH150A IPH150B IPH150B2 IPH150C IPH150C2 |
| PH−300 | 300 | 400 | 280 | 380 | 200 | 1000 1500 2000 |
1.0 1.4 1.9 |
(3.4) | IPH300A IPH300B IPH300C |
※上記以外の寸法および仕様も承りますので、弊社営業擔當にお問い合わせください。
パネルヒーターの放射面を保護するため、セラミック板を挿入したタイプです。
| 型番 | 寸法(mm) | 発熱有効長(mm) | 電圧 (V) | 容量 (W) | 有効ワット密度 (W/cm2) | 概算質量 (kg) | 商品コード | ||
|---|---|---|---|---|---|---|---|---|---|
| 幅(B) | 長さ | 幅(HL2) | 長さ(HL1) | ||||||
| SH−150 | 150 | 400 | 130 | 380 | 200 | 1000 | 2.0 | (2.1) | ISH150 |
| SH−300 | 300 | 400 | 280 | 380 | 200 | 2000 | 1.9 | (3.8) | ISH300 |
※上記以外の寸法および仕様も承りますので、弊社営業擔當にお問い合わせください。
※SH型は、放射面を垂直にした取付けはできません。水平にしてご使用ください。
