PMカールヒーター
ガラス芯に、発熱線を溶著する際、ポリイミドフィルムを使用しています。
スパイラル狀に加工しているので、配管との密著性に優れ、施工しやすくなっています。

特長

商品に関するお問い合わせ、オーダーメイドなど各種お見積り依頼やお問い合わせはこちらからお気軽にどうぞ。
工業用?産業用ヒーターのことなら坂口電熱株式會社 > 製品情報 > ヒーター?加熱裝置 > 配管加熱ヒーター > PMカールヒーター
ガラス芯に、発熱線を溶著する際、ポリイミドフィルムを使用しています。
スパイラル狀に加工しているので、配管との密著性に優れ、施工しやすくなっています。



商品に関するお問い合わせ、オーダーメイドなど各種お見積り依頼やお問い合わせはこちらからお気軽にどうぞ。
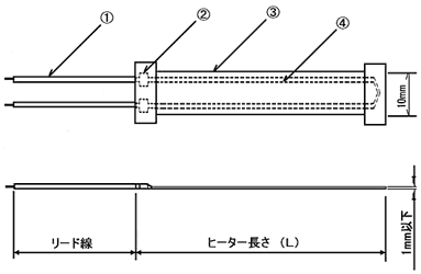
(下図の絶縁層をスパイラル狀に加工)
| 番號 | 品名 | 材料 | 備考 |
|---|---|---|---|
| ① | リード線 | フッ素樹脂電線 | 黒 Max250℃不燃性 1.25sq 500mm |
| ② | 端子 | ニッケル | スポット溶接 |
| ③ | 絶縁層 | ポリイミドフィルム | 茶 Max250℃不燃性 1mm以下両端子部除く |
| ④ | 発熱體 | ニッケルクロム | NiCr |

※配管巻付け狀態
| 型番/コード | 品名 | 容量 | ヒーター寸法(mm) | 備考 |
|---|---|---|---|---|
| PMC1 | 100V | 30W | 10幅×1000L×0.25t | リード線;フッ素樹脂電線 1.25sq×500mm 適用配管;Φ6.35~(MinΦ4mm) 到達真空度;5×10-6torr(參考値) |
| PMC2 | 100V | 60W | 10幅×2000L×0.25t |
本製品は製造中止品のため、在庫がなくなり次第、販売終了とさせていただきます。